GRUNDIG Stereo-Konzertschrank SO 220
Meuble radio, stereo (modeste) comportant les tubes suivants:
ECC85, ECH81, EBF89,ECL86,ECL86,EZ80,EM84.
Lien: ECL86

Origine de propriété: "Poubelle" A la déchetterie !
Et un vendredi 13!
Nous
étions un vendredi 13 février 2004 (je ne crois pas à ces vendredi 13)
avec mon épouse nous sommes allés à la déchetterie jeter 2 moniteurs et
des déchets végétaux.
La "pépite" déjà là dans la grande benne de la déchetterie.
J'ai demandé au gardien de me la ressortir de ce monceaux d'épaves.
Il s'agit d'un meuble radio stéréo, modeste, de la marque GRUNDIG, référence: SO220.
Ceux qui l'avaient jeté dans la benne avaient enlevé: les pieds, les hauts parleurs, la platine tourne-disques, le grand panneau arrière.
Les vernis étaient horriblement rayé et une crasse grasse dure et généreuse enveloppait l'objet qui avait dû séjourner d'abord dans une cuisine, puis dans un grenier.
Le film gras avait collé la poussière faisant, avec les années, une couche dure.
Le logo GRUNDIG plaqué sur l'avant a disparu.
En revanche le chassis électronique était intact derrière son carton.
Réparation!
D'abord un grand "ménage": soufflage au compresseur, chiffons avec, selon le cas, éponge savonneuse, white spirit, alcool à brûler, pâte à polir, etc.
1/ Electronique.
Le châssis n'avait qu'une panne: un des condensateurs de liaison entre la triode et la pentode d'une ECL86 avait une fuite.
Résultat: surdébit, effondrement de la haute tension et horrible distorsion.
Ce type de panne est classique, avec le temps les condensateurs à film prennent un peu d'humidité et leur isolement devient imparfait.
Voir schéma ci-dessous (cercle ovale).

Par sécurité j'ai changé les deux condos identiques (chacun sur une voie stéréo) et tout est rentré dans l'ordre.
Cette panne n'a pas été suivie d'un usage prolongé de l'appareil.
Dans le cas contraire les tubes EZ80 et ECL86 concerné seraient "pompés" ce qui n'est pas le cas.
En
réparation: la grande pagaille sur l'établi.
Le châssis réparé.
Les 2 tubes de puissance ECL86 et l'EZ80 au milieu.
2/ Ebénisterie et Caisse:


Pour la face avant du cadran la crasse était si dure que j'ai d'abord passé une laine d'acier pour l'arracher, puis alcool à brûler (j'ai dit face avant, surtout pas face arrière!).
Pour les pieds manquants, j'ai acheté 4 petits pieds de lit coniques.
Pour les haut-parleurs manquants j'ai achetés une paire pour auto-radio: 2 voies 165 cm de diamètre, suspension pneumatique.
Les haut-parleurs d'auto-radio ne sont pas très adaptés à cet usage car ils sont destinés à encaisser de fortes puissances et leur rendement est faible.
En revanche leur impédance de 4 ohms est intéressante puisque l'impédance d'origine était 5 ohms.
Après essai leur son est plus que correct.
Reconstitution du panneau arrière.
Inscriptions du carton arrière.
Vor Abnehmen der Rückwand Netzstecker zlehen! Das Rundfunkgerät und der Plattenspieler sind für 110 -125 - 220 V Wechselspannung umschaltbar. Vergessen Sie bitte nicht beim Umschalten des Empfangers auf eine andere Netzspannung auch den plattenspieler mit umzuschalten. Hierzu Hinweise in den Bedienungsanleitungen beachten. Sicherungen im Rundfunkgerat: 110/125 V 0,8 A; 220 V 0,4 A trage. Leisfungsaufnahme: Rundfunk.Chassis 65 W; Plattenwechsler' 7 W;' SkalenLämpchen: 7 V.A 0,1 Bei unsachgemasser Aufstellung - ln feuchten Räumen oder in der Nähe einer Heizung - leidet das Gehause.
|
ECL86. (6GW8)
Le tube ECL86 a été très utilisé dans les années 1960, il délivre 4 watts en classe A et permet un montage simple.
L'ECL86 était une de dernières triode-pentodes conçues. Les utilisations étaient dans la radio domestique et l'équipement audio de production simple genre électrophones et magnétophones. Particulièrement dans les systèmes stéréo bon marché.A ma connaissance, ce tube n'est plus fabriqué (sous réserves).

--------------------------------------------------------------------------------------------------
Ci-dessous montage classe A, avec 1 tube.

--------------------------------------------------------------------------------
Il peut être utilisé en montage push-pull (une paire) pour délivrer environ 8-12 watts.
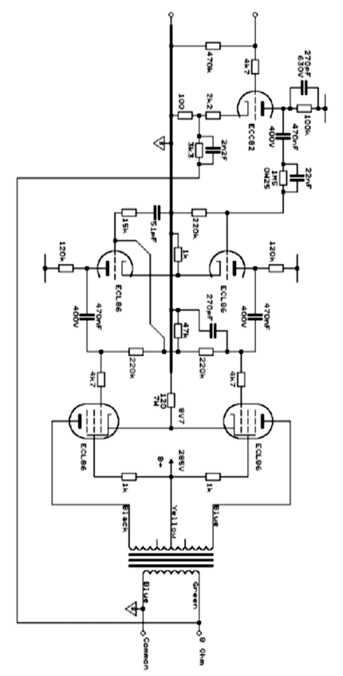
fabrique l'ampli ci-dessous avec des tubes ECL86 en 2004 !
source: http://www.audioinnovations.co.uk/main.htm
300 2x 10W Integrated Amplifier.
The Audio Innovations 300 integrated amplifier was introduced in 1986. The 300Mk2 was introduced 5 years later in 1991. It is a 2x 10W Push-Pull amp using two ECL86's per channel in the power amp. It features 5 line inputs (4 for the Mk2) and a phono input.

Conclusion sur l'ECL86: Avis défavorable.
Utilisez plutôt l'ECL82
qui est toujours fabriqué par SVETLANA.
Motif: Pour un simple problème de disponibilité. Evitez les montages avec des composants rares, qui ne sont plus fabriqués, ou trop anciens. Sauf si vous avez un stock suffisant permettant la perénité de votre oeuvre.
Retour haut de page. (top page).
Exemples avec ECL82
Voir: http://www.bonavolta.ch/hobby/en/audio/ecl82_2.htm
---------------------------------------------------
Ci-dessous l'ECL82 en single.

Lien plus complet vers ECL82 (en ce site)
Retour haut de page. (top page).
FIN. MAJ 29 Juin 2015 (Mobile Friendly)



